
襯氟蝶閥
閥門首頁 > 產品展示 > 蝶閥 > 襯氟蝶閥 > 





| 設計標準 | GB/T2238-1989 |
| 法蘭連接尺寸 | GB/T9113.1-2000;GB/T9115.1-2000;JB78 |
| 結構長度 | GB/T12221-1989 |
| 壓力試驗 | GB/T13927-1992;JB/T9092-1999 |
| 公稱通徑 | DN(mm) | 50~2000 | ||
| 公稱壓力 | PN(MPa) | 0.6 | 1.0 | 1.6 |
| 試驗壓力 | 強度試驗 | 0.9 | 1.5 | 2.4 |
| 密封試驗 | 0.66 | 1.1 | 1.76 | |
| 氣密封試驗 | 0.6 | 0.6 | 0.6 | |
| 適用介質 | 空氣、水、污水、蒸氣、煤氣、油品等。 | |||
| 驅動形式 | 手動、蝸桿蝸輪傳動、氣傳動、電傳動。 | |||
| 零件名稱 | 材料 |
| 閥體 | 球墨鑄鋼、鑄鋼、合金鋼、不銹鋼 |
| 蝶板 | 灰鑄鐵、球墨鑄鋼、鑄鋼、不銹鋼及特殊材料 |
| 密封圈 | 各種橡膠、聚四氟 |
| 閥桿 | 2Cr13、不銹鋼 |
| 填料 | O型圈、柔性石墨O |
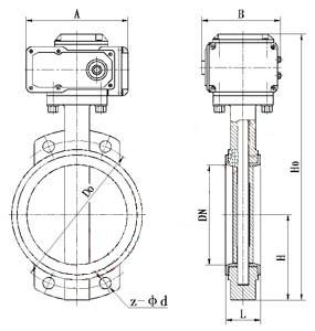
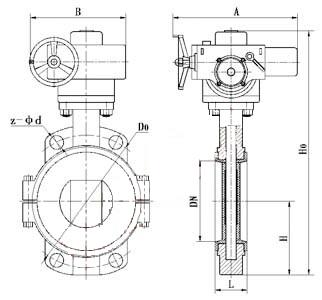
| 公稱通徑 |
結構長度 (標準值) |
外形尺寸 (參考值) |
連接尺寸(標準值) | |||||||||
| 0.6MPa | 1.0MPa | 1.6MPa | ||||||||||
| 毫米 | 英寸 | L | H | H0 | A | B | D0 | n-φd | D0 | n-φd | D0 | n-φd |
| 50 | 2 | 43 | 63 | 438 | 125 | 125 | 110 | 4-14 | 125 | 4-18 | 125 | 4-18 |
| 65 | 21/2 | 46 | 70 | 453 | 125 | 125 | 130 | 4-14 | 145 | 4-18 | 145 | 4-18 |
| 80 | 3 | 46 | 83 | 478 | 125 | 125 | 150 | 4-18 | 160 | 8-18 | 160 | 8-18 |
| 100 | 4 | 52 | 105 | 519 | 125 | 125 | 170 | 4-18 | 180 | 8-18 | 180 | 8-18 |
| 125 | 5 | 56 | 115 | 713 | 325 | 245 | 200 | 8-18 | 210 | 8-18 | 210 | 8-18 |
| 150 | 6 | 56 | 137 | 749 | 325 | 245 | 225 | 8-18 | 240 | 8-22 | 240 | 8-22 |
| 200 | 8 | 60 | 164 | 843 | 325 | 245 | 280 | 8-18 | 295 | 8-22 | 295 | 12-22 |
| 250 | 10 | 68 | 206 | 947 | 363 | 313 | 335 | 12-18 | 350 | 12-22 | 355 | 12-26 |
| 300 | 12 | 78 | 230 | 1013 | 363 | 313 | 395 | 12-22 | 400 | 12-22 | 410 | 12-26 |
| 350 | 14 | 78 | 248 | 1046 | 363 | 313 | 445 | 12-22 | 460 | 16-22 | 470 | 16-26 |
| 400 | 16 | 102 | 289 | 1135 | 363 | 313 | 495 | 16-22 | 515 | 16-26 | 525 | 16-30 |
| 450 | 18 | 114 | 320 | 1328 | 465 | 439 | 550 | 16-22 | 565 | 20-26 | 585 | 20-30 |
| 500 | 20 | 127 | 343 | 1226 | 546 | 431 | 600 | 20-22 | 620 | 20-26 | 650 | 20-33 |
| 600 | 24 | 154 | 413 | 1394 | 546 | 556 | 705 | 20-26 | 725 | 20-30 | 770 | 20-36 |
| 700 | 28 | 165 | 478 | 1534 | 546 | 556 | 810 | 24-26 | 840 | 24-30 | 840 | 24-36 |
| 800 | 32 | 190 | 525 | 1659 | 546 | 556 | 920 | 24-30 | 950 | 24-33 | 950 | 24-39 |
| 900 | 36 | 203 | 585 | 1748 | 617 | 706 | 1020 | 24-30 | 1050 | 28-33 | 1050 | 28-39 |
| 1000 | 40 | 216 | 640 | 1805 | 632 | 706 | 1120 | 28-30 | 1160 | 28-36 | 1170 | 28-42 |
| 1200 | 48 | 254 | 755 | 2035 | 632 | 706 | 1340 | 32-33 | 1380 | 32-39 | 1390 | 32-48 |
| 1400 | 56 | 279 | 910 | 2310 | 790 | 1338 | 1560 | 36-36 | 1590 | 36-42 | 1590 | 36-48 |
| 1600 | 64 | 318 | 1030 | 2845 | 868 | 1476 | 1760 | 40-36 | 1820 | 40-48 | 1820 | 40-56 |
| 1800 | 72 | 356 | 1140 | 3060 | 868 | 1476 | 1970 | 44-39 | 2020 | 44-48 | 2020 | 44-56 |
| 2000 | 80 | 406 | 1250 | 3350 | 965 | 1600 | 2180 | 48-42 | 2230 | 48-48 | 2230 |
48-62 |


上一篇:D971F46-16電動襯氟蝶閥 / 下一篇:D971F46-16C電動對夾式襯氟蝶閥